业务咨询:0755-25878611 / 0755-25878611
节假值班:13310858228
联系地址:深圳市龙岗区南湾街道上李朗社区平吉大道66号康利城7号楼603A单元
时间:2022-01-06 15:21:50 浏览:1737
消防维保收费标准其实并没有统一的答案,目前并没有国家标准,各地的标准也各不相同。
从网络上可以查找到的信息来看,全国也只有4个省、市曾发布过消防维保收费标准,2000年山东省发布了按消防系统收费的消防维保收费标准,2006年湖南省发布了按消防设施总投资额收费的标准,2016年河南省发布了按建筑面积收费的标准,最新的是2019年上海市发布的消防维保参考价格,上海市是按照场所属性、建筑面积、维保年限作为标准做参考的。
所以不同时期、不同地区的消防维保收费标准考虑的主要因素有差异,价格也存在差异。

那消防维保收费标准考虑的主要因素有哪些呢,按照小编公司的情况和收集到的一些信息,主要有以下几项考虑因素:
1、建筑情况:建筑类别、使用性质、建筑面积、使用年限;
2、消防设施:消防设施数量、点位或回路数量、使用年限、老旧损失情况;
3、消防维保服务时间:一般的维保期为一年,,不同的维保项目可以按周、按月、按季实施,价格自然也不一样。
4、人工成本:如果有特定的维保时间段,费用可能不一样;新的消防维保规定出来后,所有的维保记录必须上传社会消防技术服务信息系统也增加了人工成本。
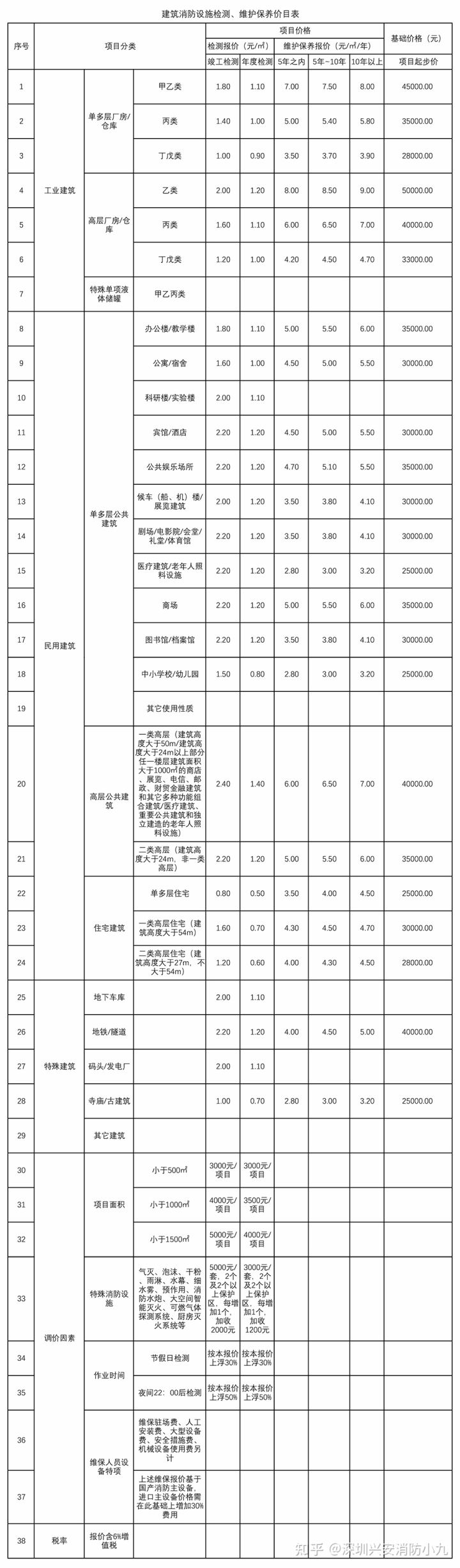
说了这么多,按照建筑面积算,消防维保一平方需要多少钱呢?建筑面积作为参考报价,消防维保的收费在0.5-8元/平方,建筑面积越大价格约便宜,不过一般也会有最低报价。具体的大家可以参考下2019年上海市《建筑消防设施检测、维护保养价目表》。

图片小编附上了,以上就是深圳兴安消防工程今天带给大家的关于消防维保收费标准的简单分享,希望对大家有帮助。